产品系列
热门产品

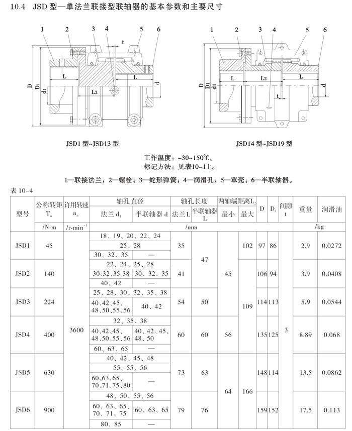
JSD型单法兰联接型联轴器在传动系统的载荷类别是选择联轴器品种的基本根据。冲击、振动和转矩变化较大的工作载荷,应选择具有弹性元件的挠性联轴器即弹性联轴器,以缓冲、减振、补偿轴线偏移,实际效果为主传动系统工作性能。起动频繁、正反转、制动时的转矩是正常平稳工作时转矩的数倍,是超载工作,必然缩短膜片联轴器弹性元件使用寿命,联轴器只允许短时超载,一般短时超载不得超过公称转矩的2-3倍。
JSD型单法兰联接型联轴器在传动系统的载荷类别是选择联轴器品种的基本根据。冲击、振动和转矩变化较大的工作载荷,应选择具有弹性元件的挠性联轴器即弹性联轴器,以缓冲、减振、补偿轴线偏移,实际效果为主传动系统工作性能。起动频繁、正反转、制动时的转矩是正常平稳工作时转矩的数倍,是超载工作,必然缩短膜片联轴器弹性元件使用寿命,联轴器只允许短时超载,一般短时超载不得超过公称转矩的2-3倍。