產品系列
熱門產品

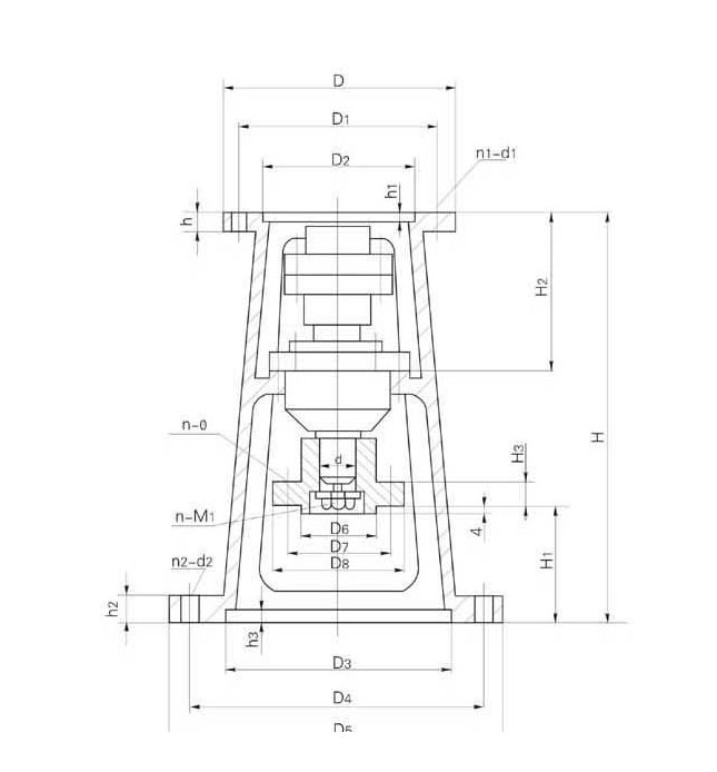
TJ搪玻璃反應罐通用機架,包括架體、架體內連接一密封軸承盒、傳動軸穿過軸承盒并通過上軸承和下軸承安裝在軸承盒內,傳動軸連接與動力裝置連接的連軸器,傳動軸下端與搪玻璃反應罐的攪拌軸連接,傳動軸為多級臺階傳動軸,主要技術特點是傳動軸不切槽,加工簡單,提高了傳動軸扭力強度;節省了軸套,節約材料,降低了成本。拆卸安裝簡單方便。
TJ型機架、下裝JA型聯軸器,主要參數及尺寸
TJ搪玻璃反應罐通用機架,包括架體、架體內連接一密封軸承盒、傳動軸穿過軸承盒并通過上軸承和下軸承安裝在軸承盒內,傳動軸連接與動力裝置連接的連軸器,傳動軸下端與搪玻璃反應罐的攪拌軸連接,傳動軸為多級臺階傳動軸,主要技術特點是傳動軸不切槽,加工簡單,提高了傳動軸扭力強度;節省了軸套,節約材料,降低了成本。拆卸安裝簡單方便。
TJ型機架、下裝JA型聯軸器,主要參數及尺寸