產品系列
熱門產品

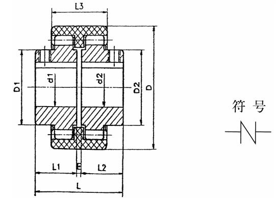
● 內齒形彈性聯軸器是目前國內的 新產品,在已經廣泛地被采用,該產品由機械委濟南鑄造鍛壓機械研究所設計,適用于軸間及的撓性傳動,允許較大的軸向徑向位移和角位移,且具有結構簡單、維修方便、拆裝容易、噪聲低、傳動功效損失小、使用壽命長等優點、倍受用戶歡迎。軸孔型式有圓柱形(Y)、圓錐形(Z)和短圓柱形(J)。軸孔和鍵槽按 標準GB3852-83《聯軸器軸孔和鍵槽形式及尺寸》的規定加工。工作溫度為-20~+70℃。
●聯軸器采用鑄造,鑄鐵HT20-40、鑄鋼ZG35Ⅱ,軸孔和鍵槽采用拉制成型,內齒形聯軸器彈性體外套可根據用戶使用要求選用各種硬度合成橡膠脂橡膠;增強鑄型尼龍彈性體等材料。為滿足各種機械的改造及引進設備備件需要,我公司可以提供品種規格的內齒形彈性聯軸器,并可根據用戶需要接受非標準訂貨。
訂貨標記方法:
例如:NL4內齒彈性聯軸器(鍵槽按GB3852-83標準)
主動軸:d1=38 L1=80
從動軸:d2=30 L21=50
表示為NL4:38×80/30×50(非標注明鍵槽尺寸)
型號 | 公稱扭矩 Tn (N.M) | 許用轉速n (r/min) | 主要尺寸 (mm) | 大尺寸偏差 | 慣性扭矩 (KgC m 2 ) | 重量 (Kg ) | ||||||||
軸孔直徑 d1 d2 | 軸孔 長度 | L | D | D1 D2 | E | L3 | 軸向(mm) | 徑向(mm) | 角度α° | |||||
NL1 | 40 | 6000 | 6 8 10 | 16 20 25 32 | 37 45 55 69 | 40 | 26 | 4 | 34 | 2 | ±0.3 | 1° | 0.25 | 0.85 |
12 14 | ||||||||||||||
NL2 | 100 | 6000 | 10 12 14 22 | 25 32 42 52 | 57 71 91 111 | 42 | 36 | 4 | 40 | 2 | ±0.4 | 1° | 0.92 | 1.7 |
16 18 20 24 | ||||||||||||||
NL3 | 160 | 6000 | 20 22 24 | 52 62 | 113 133 | 66 | 44 | 4 | 46 | 2 | ±0.4 | 1° | 3.10 | 2.6 |
25 28 | ||||||||||||||
NL4 | 250 | 6000 | 28 30 32 | 62 82 | 129 169 | 83 | 58 | 4 | 48 | 2 | ±0.4 | 1° | 8.69 | 3.6 |
35 38 | ||||||||||||||
NL5 | 315 | 5000 | 32 35 38 | 82 112 | 169 229 | 93 | 68 | 4 | 50 | 3 | ±0.4 | 2° | 14.28 | 5.5 |
40 42 | ||||||||||||||
NL6 | 400 | 5000 | 40 42 45 | 82 112 | 230 | 100 | 68 | 4 | 52 | 3 | ±0.4 | 2° | 18.34 | 6.8 |
48 | ||||||||||||||
NL7 | 630 | 3600 | 45 48 50 | 82 112 | 229 | 115 | 80 | 4 | 60 | 3 | ±0.6 | 2° | 56.5 | 9.8 |
55 | ||||||||||||||
NL8 | 1250 | 3600 | 48 50 55 | 112 142 | 229 289 | 140 | 96 | 4 | 72 | 3 | ±0.6 | 2° | 98.55 | 26.5 |
60 63 65 | ||||||||||||||
NL9 | 2000 | 2000 | 60 63 65 | 142 172 | 295 351 | 175 | 124 | 6 | 93 | 4 | ±0.7 | 2° | 370.5 | 37.6 |
70 71 75 80 | ||||||||||||||
NL10 | 3150 | 1800 | 70 71 75 80 | 142 172 212 | 292 352 432 | 220 | 157 | 8 | 110 | 4 | ±0.7 | 2° | 1156.8 | 55 |